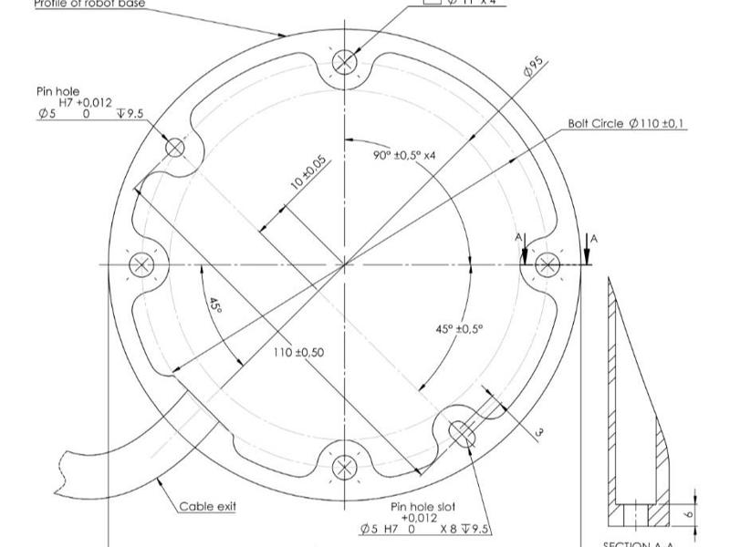
UR3 Robot Base Drilling Template

MakerWorld

UR3 Robot Base Drilling Template is a 3D printable model, which we searched from web for you, so you can easily print on your own 3D printer.

Get 3D Print Model

X